CH-XSBC 懸臂梁稱重傳感器
編號:10447
查看:
發布:2022-05-20
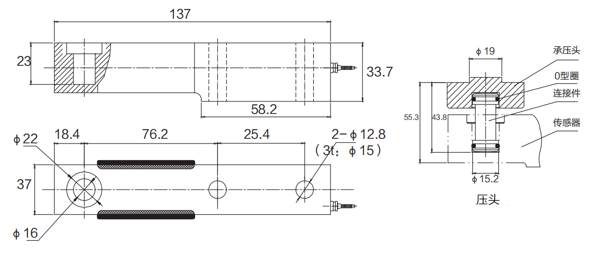
產品名稱:CH-XSBC懸臂梁稱重傳感器產品特點:CH-XSBC采用優質合金鋼材質,具有高精度、高穩定性等特點,安裝簡便、快速,適用于攪拌站、皮帶秤、配料秤和平臺秤等。量程:5kN(500kg)、10kN(1t)、20kN(2t)、3
編號:10447
查看:
發布:2022-05-20
產品名稱:CH-XSBC懸臂梁稱重傳感器產品特點:CH-XSBC采用優質合金鋼材質,具有高精度、高穩定性等特點,安裝簡便、快速,適用于攪拌站、皮帶秤、配料秤和平臺秤等。量程:5kN(500kg)、10kN(1t)、20kN(2t)、3
產品名稱:CH-XSBC 懸臂梁稱重傳感器
產品特點:CH-XSBC采用優質合金鋼材質,具有高精度、高穩定性等特點,安裝簡便、快速,適用于攪拌站、皮帶秤、配料秤和平臺秤等。
量程:5kN(500kg)、10kN(1t)、20kN(2t)、30kN(3t)
外形尺寸:

技術參數:
技術參數 | |||
額定輸出 | 2.0mV/V±1% | 零點平衡 | ±1%F.S |
綜合精度 | 0.03%F.S | 輸入阻抗 | 380±5Ω |
線性、滯后性 | ±0.03%F.S | 輸出阻抗 | 350±3Ω |
重復性 | ±0.03%F.S | 絕緣電阻 | ≥5000MΩ |
蠕變 | ±0.03%F.S/30min | 允許工作電壓 | 5~15V/DC |
零點溫度影響 | ±0.03%/10℃ | 工作溫度范圍 | -30℃~+70℃ |
輸出溫度影響 | ±0.03%/10℃ | 安全過載 | 150%F.S |
接線方式 | 激勵:+紅 -黑 信號:+綠 -白 屏蔽:黃 | ||