TQ-A8方S型拉壓稱重傳感器
編號:10240
查看:
發布:2021-08-10
TQ-A8方S型拉壓傳感器承受拉、壓外力均可,輸出對稱性好,結構緊湊、安裝方便、規格齊全。 TQ-A8方S型拉壓傳感器適用于制造機電結合秤、吊鉤秤、料斗秤及各種專用秤、工藝秤等。
編號:10240
查看:
發布:2021-08-10
TQ-A8方S型拉壓傳感器承受拉、壓外力均可,輸出對稱性好,結構緊湊、安裝方便、規格齊全。 TQ-A8方S型拉壓傳感器適用于制造機電結合秤、吊鉤秤、料斗秤及各種專用秤、工藝秤等。
產品特點:TQ-A8方S型拉壓傳感器承受拉、壓外力均可,輸出對稱性好,結構緊湊、安裝方便、規格齊全。
產品用途:TQ-A8方S型拉壓傳感器適用于制造機電結合秤、吊鉤秤、料斗秤及各種專用秤、工藝秤等。
量程:500N(50kg)、 1 kN(100kg)、2 kN(200kg)、3 kN(300kg)、5 kN(500kg)、10 kN(1t)、15KN(1.5t) 、20 kN(2t)、30 kN(3t)、50 kN(5t)
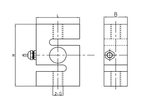
技術參數及外形尺寸:
序號 | 產品技術參數 | |
1 | 額定載荷 | 50kg-5t |
2 | 靈敏度 | ≥2.0mV/V |
3 | 綜合精度 | ≤0.05%F.S |
4 | 非線性 | ≤0.2%F.S |
5 | 重復性 | ≤0.2%F.S |
6 | 滯后 | ≤0.2%F.S |
7 | 輸入電阻 | 350Ω±10Ω |
8 | 輸出電阻 | 350Ω±2 |
9 | 零點溫度系數 | ±0.03%F.S/10°C |
10 | 絕緣電阻 | ≥5000MΩ |
11 | 激勵電壓 | 10-12VDC |
12 | 工作溫度范圍 | -10°C~+70°C |
13 | 允許過負荷 | 150%F.S |
14 | 接線方式 | 紅……E+(輸入正) 黑……E-(輸入負) 綠……S+(輸出正) 白……S-(輸出負) |


圖片與實物略有差異,以實物為準 / 濟南泰欽保留隨時更改、撤消產品型號、規格的權利,恕不另行通知