TQ-A3圓S型拉壓稱重傳感器
編號:10118
查看:
發布:2024-08-05
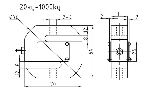
TQ-A3圓S型拉壓傳感器,承受拉、壓外力均可;輸出對稱性好,結構緊湊;安裝方便,規格齊全。 TQ-A3圓S型拉壓傳感器適用于配料秤、吊鉤秤、機電結合秤,包裝秤,材料力學試驗機等專用測力裝置。
編號:10118
查看:
發布:2024-08-05
TQ-A3圓S型拉壓傳感器,承受拉、壓外力均可;輸出對稱性好,結構緊湊;安裝方便,規格齊全。 TQ-A3圓S型拉壓傳感器適用于配料秤、吊鉤秤、機電結合秤,包裝秤,材料力學試驗機等專用測力裝置。
序號 | 產品技術參數 | |
1 | 額定載荷 | 25-10000kg |
2 | 綜合精度 | C2;C3 |
3 | 靈敏度 | 2.0mV/V±0.3%(20-7500kg) 1.8mV/ V±0.2%(10000kg) |
4 | 輸入阻抗 | 400±20Ω |
5 | 輸出阻抗 | 350±3Ω |
6 | 絕緣阻抗 | ≥5000MΩ |
7 | 補償溫度范圍 | -10~40℃ |
8 | 安全過載 | 150%F.S |
9 | 材質 | 合金鋼 |
10 | 激勵電壓 | 10V(DC/AC) |
11 | 密封等級 | IP65(20-1000kg) IP68(1200-10000kg) |
12 | 電纜 | 2.6m(20-1000kg) 3m(1200-10000kg) |
13 | 接線方式 | 紅……E+(電源正) 黑……E-(電源負) 綠……S+(信號正) 白……S-(信號負) |


型號 | 量程(kN) | 量程(kg) | D | L | H |
TQ-A3 | 0.25-1.5 | 25-150 | M8×1.25 | 12 | -- |
2-5 | 200-500 | M12×1.75 | 20 | -- | |
7-10 | 700-1000 | M12×1.75 | 25 | -- | |
12-50 | 1200-5000 | M20×2.5 | 32 | 90 | |
75 | 7500 | M24×3 | 40 | 90 | |
100 | 10000 | M30×2 | 50 | 110 |
圖片與實物略有差異,以實物為準 / 濟南泰欽保留隨時更改、撤消產品型號、規格的權利,恕不另行通知