TQ-N3扭矩傳感器
精度高,性能穩定,安裝方便;適用于靜態、非連續旋轉的扭矩力值的測量與控制。
序號 | 產品技術參數 | |
1 | 額定載荷 | 2Nm-3000Nm |
2 | 綜合精度 | 0.1/0.3%F.S |
3 | 靈敏度 | 1.0-2.0mV/V |
4 | 蠕變/30分鐘 | ±0.1/0.2/0.3%F.S/30min |
5 | 零點輸出 | ±1%F.S |
6 | 零點溫度影響 | ±0.1/0.2/0.3%F.S/10℃ |
7 | 輸出溫度影響 | ±0.1/0.2/0.3%F.S/10℃ |
8 | 輸入阻抗 | 750±30Ω/380±10Ω |
9 | 輸出阻抗 | 700±5Ω/380±3Ω |
10 | 絕緣阻抗 | >5000MΩ |
11 | 工作溫度 | -10~65℃ |
12 | 安全過載 | 150%F.S |
13 | 激勵電壓 | 10VDC |
14 | 材質 | 合金鋼 |
15 | 接線方式 | 紅……E+(輸入正) 黑……E-(輸入負) 綠……S+(輸出正) 白……S-(輸出負) |

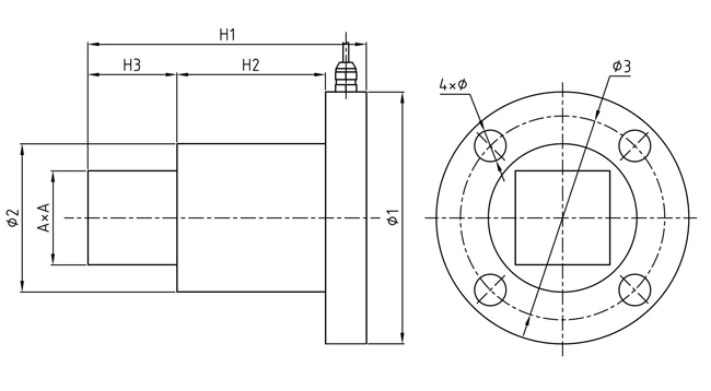
型號 | 量程(Nm) | A | H1 | H2 | H3 | Φ1 | Φ2 | Φ3 | Φ |
TQ-N3 | 2-200 | 12.5 | 55 | 30 | 15 | 59 | 32 | 45 | 6.5 |
300-1500 | 25.4 | 75 | 40 | 24 | 68 | 40 | 55 | 8.5 | |
2000-3000 | 25.4 | 85 | 44 | 24 | 98 | 56 | 80 | 13 |
圖片與實物略有差異,以實物為準 / 濟南泰欽保留隨時更改、撤消產品型號、規格的權利,恕不另行通知