TQ-1G壓式輪輻式測力傳感器
編號:10112
查看:
發布:2021-08-05
TQ-1G壓式輪輻式測力傳感器其彈性體采用短而高的剪切梁,剛性特好,抗側向力強。 TQ-1G壓式輪輻式測力傳感器廣泛應用于汽車衡,軌道衡和吊秤等 設備上。
編號:10112
查看:
發布:2021-08-05
TQ-1G壓式輪輻式測力傳感器其彈性體采用短而高的剪切梁,剛性特好,抗側向力強。 TQ-1G壓式輪輻式測力傳感器廣泛應用于汽車衡,軌道衡和吊秤等 設備上。
產品特點:TQ-1G壓式輪輻式稱重傳感器其彈性體采用短而高的剪切梁,剛性特好,抗側向力強
產品用途:TQ-1G壓式輪輻式稱重傳感器廣泛應用于汽車衡,軌道衡和吊秤等 設備上。
量程:5kN(500kg)、10kN(1t)、20kN(2t)、50kN(5t)、100kN(10t)、200kN(20t)、250kN(25t)、
300kN(30t)、500kN(50t)、600kN(60t)、1000kN(100t
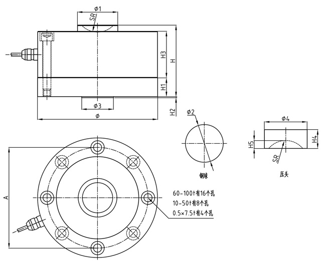
技術參數及外形尺寸:
序號 | 產品技術參數 | |
1 | 額定載荷 | 5kN-1000kN |
2 | 綜合精度 | ≤0.05%F.S |
3 | 靈敏度 | 2.0mV/V |
4 | 零點輸出 | ±1%F.S |
5 | 輸入阻抗 | 385 /765±15Ω |
6 | 輸出阻抗 | 350 /700±5Ω |
7 | 絕緣阻抗 | ≥5000MΩ |
8 | 補償溫度范圍 | -10~50℃ |
9 | 適用溫度范圍 | -20~60℃ |
10 | 安全過載 | 120%F.S |
11 | 激勵電壓 | 10V(DC/AC) |
12 | 材質 | 合金鋼 |
13 | 接線方式 | 紅……E+(輸入正) 黑……E-(輸入負) 綠……S+(輸出正) 白……S-(輸出負) |


圖片與實物略有差異,以實物為準 / 濟南泰欽保留隨時更改、撤消產品型號、規格的權利,恕不另行通知